| Status de disponibilidade: | |
|---|---|
| Quantidade: | |
DF-473C
HEE
DF-473C Cast Steel 8 'Button Chock
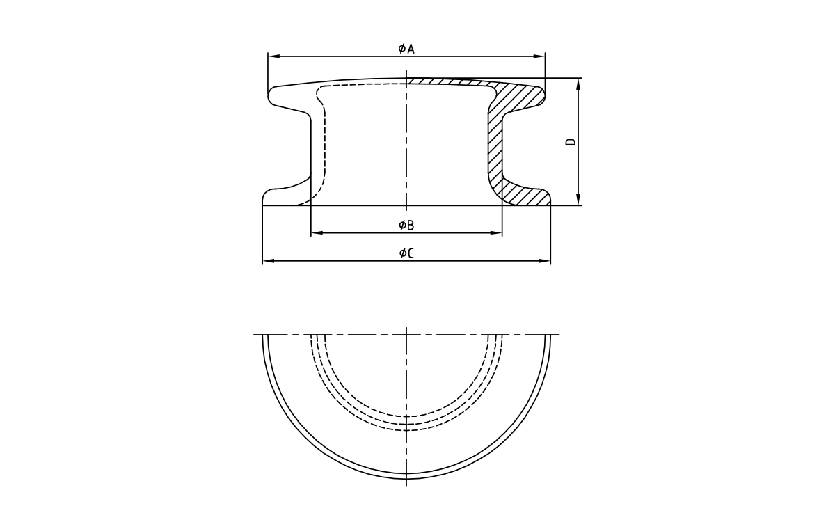
| Modelo no. | Φa | Φb | Φc | D | E | F | G | Wt. (Lbs) |
| DF-473C | 13 ' | 8 5/8 ' | 12 1/2 ' | 5/8 ' | 3 3/4 ' | 5 3/4 ' | 3/4 ' | 75 |
O gabarito de aço fundido do DF-473C em aço de 8 botões é um componente crítico de amarração nas operações marítimas, fornecendo orientação e rescisão seguras de corda para embarcações de todos os tamanhos. À medida que o comércio marítimo global continua a se expandir - com o mercado de equipamentos de amarração projetado para crescer juntamente com o transporte comercial -, este Chock oferece força e durabilidade excepcionais para exigir operações portuárias. Fabricado de acordo com os padrões ISO 13713 , o DF-473C possui uma configuração de 8 botões que otimiza o contato da corda enquanto minimiza o atrito e o desgaste. Com uma carga de trabalho segura (SWL) de 981 kN (100 toneladas) e peso de 280 kg, é projetada para aplicações pesadas em transportadoras a granel, navios de contêiner e plataformas offshore.
Fabricada a partir de aço fundido de grau ASTM A27 , o calibre sofre um rigoroso teste não destrutivo para garantir a ausência de defeitos internos que podem comprometer a força. A fundição de uma peça elimina as soldas que criam pontos de falha em potencial, enquanto a superfície tratada termicamente atinge uma dureza mínima de 180 BHN para resistência ao desgaste. Todas as superfícies em contato com as linhas de amarração estão acabadas sem problemas para reduzir a abrasão da corda.
O design de 8 botões cria vários pontos de contato que distribuem a carga uniformemente pela superfície da corda, reduzindo o estresse localizado e estendendo a vida útil do serviço. As superfícies do botão curvo apresentam uma relação de 12: 1 de dobra otimizada para linhas de amarração sintética, minimizando a perda de força da corda durante as operações de amarração. Essa geometria acomoda diâmetros de corda de 60 a 90 mm, mantendo o contato ideal.
O calço recebe um sistema de revestimento de proteção em várias etapas, incluindo jateamento de areia para padrões SA 2.5, primer rico em zinco e acabamento de poliuretano de grau marítimo. Todas as superfícies expostas são cobertas com este sistema, fornecendo mais de 1.500 horas de resistência ao pulverização de sal pelo teste ASTM B117. Os orifícios de drenagem impedem o acúmulo de água em áreas recuadas, aumentando ainda mais a resistência à corrosão.
A ISO 13713 estabelece padrões internacionais para design, materiais, testes e desempenho de calibre ancoradouros, garantindo compatibilidade e segurança nas operações marítimas globais. A certificação confirma que o DF-473C atende aos requisitos rigorosos para compatibilidade de força, durabilidade e corda.
O design de 8 botões fornece mais pontos de contato do que os modelos de 4 botões, distribuindo carga de maneira mais uniforme na superfície da corda para reduzir o desgaste e prolongar a vida útil da corda. Essa configuração oferece melhor controle de corda do que maiores projetos de botão único, mantendo a depuração suficiente da corda para operação com linhas sintéticas.
O DF-473C é otimizado para linhas de amarração sintética com diâmetros que variam de 60 a 90 mm (2,36 a 3,54 polegadas). Esse intervalo abrange os tamanhos mais comuns usados em navios de contêiner da Panamax, portadores a granel e embarcações de suporte offshore.
O calço requer instalação soldada para os membros estruturais da embarcação (antepara ou deck) com soldas de filetes contínuos que atendem aos padrões da AWS D1.1. O alinhamento adequado com guinchos de amarração é crítico, com a linha central de calço alinhada dentro de 5 ° da direção da tração da corda para impedir o carregamento lateral e o desgaste prematuro.
O calço deve ser inspecionado mensalmente quanto a padrões de desgaste da corda, corrosão e fixadores soltos. As superfícies de contato da corda devem ser limpas regularmente para remover detritos que podem abretar cordas. A tinta de retoque deve ser aplicada a quaisquer áreas danificadas para manter a proteção contra corrosão. O teste anual de carga é recomendado para calços em aplicações críticas.
DF-473C Cast Steel 8 'Button Chock
| Modelo no. | Φa | Φb | Φc | D | E | F | G | Wt. (Lbs) |
| DF-473C | 13 ' | 8 5/8 ' | 12 1/2 ' | 5/8 ' | 3 3/4 ' | 5 3/4 ' | 3/4 ' | 75 |
O gabarito de aço fundido do DF-473C em aço de 8 botões é um componente crítico de amarração nas operações marítimas, fornecendo orientação e rescisão seguras de corda para embarcações de todos os tamanhos. À medida que o comércio marítimo global continua a se expandir - com o mercado de equipamentos de amarração projetado para crescer juntamente com o transporte comercial -, este Chock oferece força e durabilidade excepcionais para exigir operações portuárias. Fabricado de acordo com os padrões ISO 13713 , o DF-473C possui uma configuração de 8 botões que otimiza o contato da corda enquanto minimiza o atrito e o desgaste. Com uma carga de trabalho segura (SWL) de 981 kN (100 toneladas) e peso de 280 kg, é projetada para aplicações pesadas em transportadoras a granel, navios de contêiner e plataformas offshore.
Fabricada a partir de aço fundido de grau ASTM A27 , o calibre sofre um rigoroso teste não destrutivo para garantir a ausência de defeitos internos que podem comprometer a força. A fundição de uma peça elimina as soldas que criam pontos de falha em potencial, enquanto a superfície tratada termicamente atinge uma dureza mínima de 180 BHN para resistência ao desgaste. Todas as superfícies em contato com as linhas de amarração estão acabadas sem problemas para reduzir a abrasão da corda.
O design de 8 botões cria vários pontos de contato que distribuem a carga uniformemente pela superfície da corda, reduzindo o estresse localizado e estendendo a vida útil do serviço. As superfícies do botão curvo apresentam uma relação de 12: 1 de dobra otimizada para linhas de amarração sintética, minimizando a perda de força da corda durante as operações de amarração. Essa geometria acomoda diâmetros de corda de 60 a 90 mm, mantendo o contato ideal.
O calço recebe um sistema de revestimento de proteção em várias etapas, incluindo jateamento de areia para padrões SA 2.5, primer rico em zinco e acabamento de poliuretano de grau marítimo. Todas as superfícies expostas são cobertas com este sistema, fornecendo mais de 1.500 horas de resistência ao pulverização de sal pelo teste ASTM B117. Os orifícios de drenagem impedem o acúmulo de água em áreas recuadas, aumentando ainda mais a resistência à corrosão.
A ISO 13713 estabelece padrões internacionais para design, materiais, testes e desempenho de calibre ancoradouros, garantindo compatibilidade e segurança nas operações marítimas globais. A certificação confirma que o DF-473C atende aos requisitos rigorosos para compatibilidade de força, durabilidade e corda.
O design de 8 botões fornece mais pontos de contato do que os modelos de 4 botões, distribuindo carga de maneira mais uniforme na superfície da corda para reduzir o desgaste e prolongar a vida útil da corda. Essa configuração oferece melhor controle de corda do que maiores projetos de botão único, mantendo a depuração suficiente da corda para operação com linhas sintéticas.
O DF-473C é otimizado para linhas de amarração sintética com diâmetros que variam de 60 a 90 mm (2,36 a 3,54 polegadas). Esse intervalo abrange os tamanhos mais comuns usados em navios de contêiner da Panamax, portadores a granel e embarcações de suporte offshore.
O calço requer instalação soldada para os membros estruturais da embarcação (antepara ou deck) com soldas de filetes contínuos que atendem aos padrões da AWS D1.1. O alinhamento adequado com guinchos de amarração é crítico, com a linha central de calço alinhada dentro de 5 ° da direção da tração da corda para impedir o carregamento lateral e o desgaste prematuro.
O calço deve ser inspecionado mensalmente quanto a padrões de desgaste da corda, corrosão e fixadores soltos. As superfícies de contato da corda devem ser limpas regularmente para remover detritos que podem abretar cordas. A tinta de retoque deve ser aplicada a quaisquer áreas danificadas para manter a proteção contra corrosão. O teste anual de carga é recomendado para calços em aplicações críticas.
O DF-274-5 2 Cão Hatch estanque a estanque levantado é um encaixe premium de deck marítimo projetado por Hee (Changshu Haichuan Engineering & Equipment Co., Ltd.), um fabricante líder na China, especializado em equipamentos marítimos e offshore. Projetado para atender à necessidade crítica de resistência à água confiável em ambientes marinhos severos, esta escotilha serve como uma barreira protetora para aberturas de deck, impedindo a entrada de água, acumulação de poeira e corrosão que podem danificar componentes internos de embarcações, plataformas offshore ou infraestrutura portuária.