| Status de disponibilidade: | |
|---|---|
| Quantidade: | |
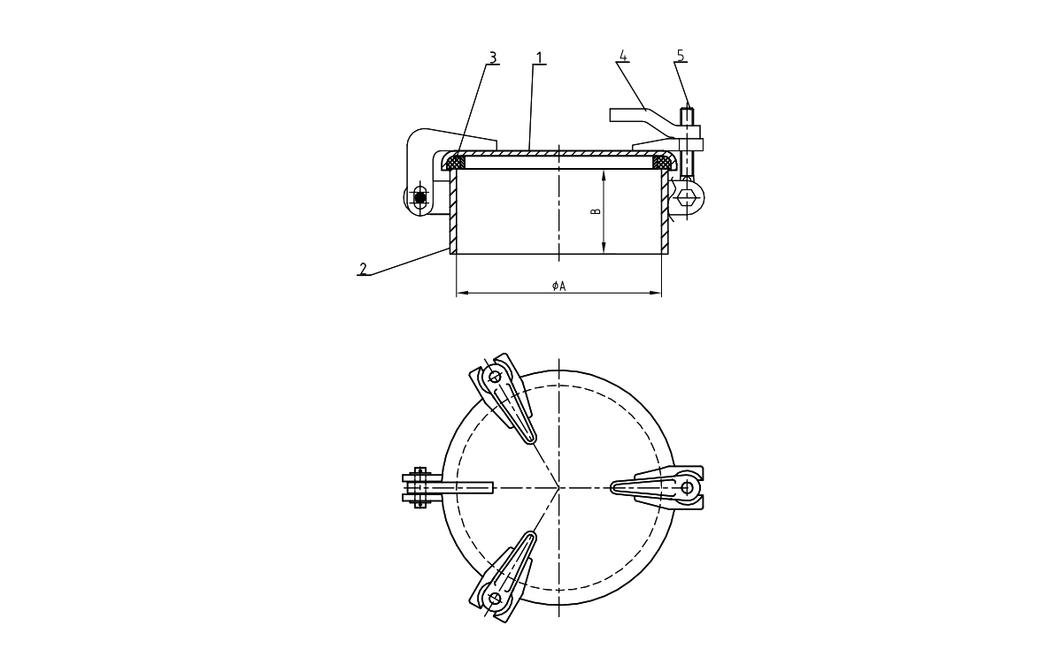
DF-456-5-SS
HEE
DF-456-5-SS 3 Cachorro Hatch estanque a estanque
Modelo no. | Φa | B | Wt. (Lbs) |
| DF-456-5-SS | 12 ' | 5 ' | 55 |
| NÃO. | Nome e especificações | Qty | Material |
| 1 | COBRIR | 1 | AÇO INOXIDÁVEL |
| 2 | Coaming | 1 | AÇO INOXIDÁVEL |
| 3 | Junta | 1 | Neoprene |
| 4 | Maçaneta de cachorro | 3 | AÇO INOXIDÁVEL |
| 5 | Tumble parafuso | 3 | BRONZE |
O DF-456 SS 3-COG HATCH HATCH TLHETGELE traz construção de aço inoxidável premium para soluções de acesso leves, ideais para aplicações em que a resistência à corrosão e a manutenção mínima são prioridades. À medida que a indústria marinha adota cada vez mais componentes de aço inoxidável para ambientes de água salgada, essa escotilha oferece durabilidade excepcional em um design compacto. Medindo 16 × 14 polegadas e pesando apenas 85 libras, o SS DF-456 fornece acesso a sistemas auxiliares, compartimentos elétricos e armários de armazenamento, mantendo a integridade estanque. Seu sistema de trava de três cães oferece operação simplificada sem comprometer o desempenho de vedação em condições moderadas.
Fabricados inteiramente a partir de 316 aço inoxidável , incluindo estrutura, tampa, cães e prendedores, a escotilha fornece resistência superior à corrosão de picadas e fendas em ambientes de água salgada. Todos os componentes sofrem tratamento de passivação para aumentar a resistência à corrosão, com um acabamento de 2B que equilibra a estética com a durabilidade prática. Essa seleção de material elimina as preocupações da ferrugem e estende significativamente os intervalos de manutenção.
Os três posicionados estrategicamente cães de aço inoxidável são organizados em um padrão triangular para distribuir a pressão de vedação efetivamente na abertura compacta. Cada cão possui um grande botão de ajuste com bloqueio positivo, permitindo o ajuste fino da compressão para acomodar o movimento do convés. O identificador central opera todos os três cães simultaneamente, simplificando a operação em comparação com os projetos de parafusos individuais.
Com um requisito mínimo de profundidade de montagem de apenas 4 polegadas , o SS DF-456 é adequado para instalação em aplicações de convés fino, onde o espaço é limitado. A estrutura elevada de baixo perfil (1,5 polegadas acima do convés) fornece drenagem adequada, mantendo a acessibilidade. A escotilha pode ser montada nas orientações horizontais e verticais sem comprometer o desempenho.
316 aço inoxidável contém molibdênio, que fornece resistência superior à corrosão induzida por cloreto em comparação com 304 aço inoxidável, tornando-o ideal para ambientes de água salgada. Oferece aproximadamente 50% de resistência à corrosão em aplicações marinhas, estendendo significativamente a vida útil do serviço em condições adversas.
O arranjo triangular de cães cria três pontos de pressão primários que distribuem força uniformemente pela superfície de vedação em aberturas menores. Essa configuração é particularmente eficaz para escotilhas compactas, onde o perímetro reduzido requer menos, mas estrategicamente posicionados, pontos de compressão.
O DF-456 SS mantém o desempenho estanque a pressões hidrostáticas de até 2,5 psi , adequadas para aplicações de deck e superestrutura em navios que operam em ambientes costeiros e offshore até o estado do mar 4.
Sim, o mecanismo de trava foi projetado para operar de maneira confiável em temperaturas tão baixas quanto -25 ° C (-13 ° F), com todas as partes móveis utilizando buchas resistentes à corrosão que impedem o congelamento e a apreensão em ambientes frios.
Absolutamente. As juntas de silicone aprovadas pelo aço de aço e a FDA (quando especificadas) tornam o DF-456 SS ideal para embarcações que transportam produtos alimentícios ou água potável, onde a resistência à higiene e corrosão são críticas. As superfícies suaves facilitam a limpeza e a higienização fácil.
DF-456-5-SS 3 Cachorro Hatch estanque a estanque
Modelo no. | Φa | B | Wt. (Lbs) |
| DF-456-5-SS | 12 ' | 5 ' | 55 |
| NÃO. | Nome e especificações | Qty | Material |
| 1 | COBRIR | 1 | AÇO INOXIDÁVEL |
| 2 | Coaming | 1 | AÇO INOXIDÁVEL |
| 3 | Junta | 1 | Neoprene |
| 4 | Maçaneta de cachorro | 3 | AÇO INOXIDÁVEL |
| 5 | Tumble parafuso | 3 | BRONZE |
O DF-456 SS 3-COG HATCH HATCH TLHETGELE traz construção de aço inoxidável premium para soluções de acesso leves, ideais para aplicações em que a resistência à corrosão e a manutenção mínima são prioridades. À medida que a indústria marinha adota cada vez mais componentes de aço inoxidável para ambientes de água salgada, essa escotilha oferece durabilidade excepcional em um design compacto. Medindo 16 × 14 polegadas e pesando apenas 85 libras, o SS DF-456 fornece acesso a sistemas auxiliares, compartimentos elétricos e armários de armazenamento, mantendo a integridade estanque. Seu sistema de trava de três cães oferece operação simplificada sem comprometer o desempenho de vedação em condições moderadas.
Fabricados inteiramente a partir de 316 aço inoxidável , incluindo estrutura, tampa, cães e prendedores, a escotilha fornece resistência superior à corrosão de picadas e fendas em ambientes de água salgada. Todos os componentes sofrem tratamento de passivação para aumentar a resistência à corrosão, com um acabamento de 2B que equilibra a estética com a durabilidade prática. Essa seleção de material elimina as preocupações da ferrugem e estende significativamente os intervalos de manutenção.
Os três posicionados estrategicamente cães de aço inoxidável são organizados em um padrão triangular para distribuir a pressão de vedação efetivamente na abertura compacta. Cada cão possui um grande botão de ajuste com bloqueio positivo, permitindo o ajuste fino da compressão para acomodar o movimento do convés. O identificador central opera todos os três cães simultaneamente, simplificando a operação em comparação com os projetos de parafusos individuais.
Com um requisito mínimo de profundidade de montagem de apenas 4 polegadas , o SS DF-456 é adequado para instalação em aplicações de convés fino, onde o espaço é limitado. A estrutura elevada de baixo perfil (1,5 polegadas acima do convés) fornece drenagem adequada, mantendo a acessibilidade. A escotilha pode ser montada nas orientações horizontais e verticais sem comprometer o desempenho.
316 aço inoxidável contém molibdênio, que fornece resistência superior à corrosão induzida por cloreto em comparação com 304 aço inoxidável, tornando-o ideal para ambientes de água salgada. Oferece aproximadamente 50% de resistência à corrosão em aplicações marinhas, estendendo significativamente a vida útil do serviço em condições adversas.
O arranjo triangular de cães cria três pontos de pressão primários que distribuem força uniformemente pela superfície de vedação em aberturas menores. Essa configuração é particularmente eficaz para escotilhas compactas, onde o perímetro reduzido requer menos, mas estrategicamente posicionados, pontos de compressão.
O DF-456 SS mantém o desempenho estanque a pressões hidrostáticas de até 2,5 psi , adequadas para aplicações de deck e superestrutura em navios que operam em ambientes costeiros e offshore até o estado do mar 4.
Sim, o mecanismo de trava foi projetado para operar de maneira confiável em temperaturas tão baixas quanto -25 ° C (-13 ° F), com todas as partes móveis utilizando buchas resistentes à corrosão que impedem o congelamento e a apreensão em ambientes frios.
Absolutamente. As juntas de silicone aprovadas pelo aço de aço e a FDA (quando especificadas) tornam o DF-456 SS ideal para embarcações que transportam produtos alimentícios ou água potável, onde a resistência à higiene e corrosão são críticas. As superfícies suaves facilitam a limpeza e a higienização fácil.
O DF-274-5 2 Cão Hatch estanque a estanque levantado é um encaixe premium de deck marítimo projetado por Hee (Changshu Haichuan Engineering & Equipment Co., Ltd.), um fabricante líder na China, especializado em equipamentos marítimos e offshore. Projetado para atender à necessidade crítica de resistência à água confiável em ambientes marinhos severos, esta escotilha serve como uma barreira protetora para aberturas de deck, impedindo a entrada de água, acumulação de poeira e corrosão que podem danificar componentes internos de embarcações, plataformas offshore ou infraestrutura portuária.